DMX512线条灯控制系统原理及工程调试问题(一
发布日期:2020-11-06 作者:华欧 点击:
一般大型户外亮化项目或者是要求比较高的项目,用到全彩线条灯的,一般都会用到DMX512控制系统。但是这几年来,亮化事业是发展得快,但是对DMX512系统的了解还是很少人懂,在采购DMX512线条灯和安装过程中遇到很多问题。这里说说DMX512系统原理及调试问题。
1.什么是DMX512控制?
DMX512英文是Digital Multiplex With 512 pieces of information (即多路数字传输)。
DMX512协议最先是由USITT(美国剧院技术协会)发展成为从控制台用标准数字接口控制调光器的方式。与DALI用于表现静态效果刚好相反,DMX512主要用于表现被照物的动态效果,即DMX控制的灯是给人的感觉是一直在变动,以色彩变化为主,适合渲染气氛,所以一般应用在景观灯和舞台灯光。
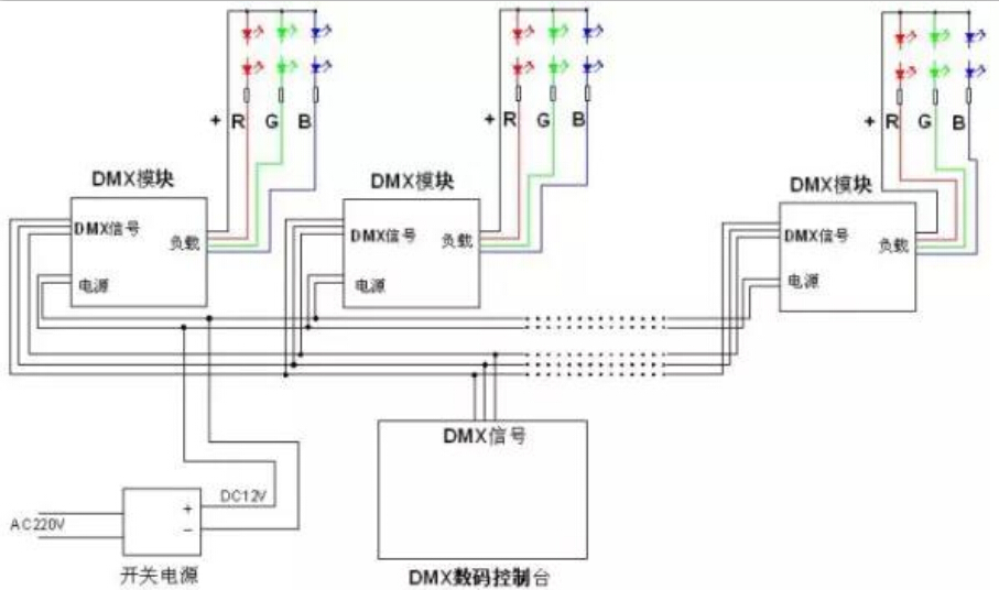
DMX512控制系统示意:若干台RGB灯具,每一台灯具内部都包含1个DMX模块,该模块在同时接收到了电源供电和控制器信号的情况下,才会驱动LED灯珠亮暗变化,从而来调节颜色的变化。
2.DMX512控制每个回路带点数
每个输出回路最大支持512通道
每个输出回路最大支持512通道,根据所带设备单个所占通道数的多少,决定了每个端口最大可带设备数量。
我们一般用的控制器就是单口就是512个点,看控制器端口数量,也要按照实际安装来计算控制器数量。

电话:13928199991
传真:0760-22323720
qq:664392963
邮箱:
地址:广东省中山市古镇镇东兴东路33号4栋







